6 Speed Transmission Installation


This installation was the second installation completed by V8 Archie. It was almost the first but his PF Roadster won out by 2 days. Here is my 4.9 on the cradle mated to the stock Muncie 4 speed. The car ran well but the RPMs were just too high when running at 70 MPH, plus I was looking for better gas mileage.

This is the test fit with the engine and transmission on the cradle. If you were running a manual transmission before this upgrade, you will need to add a spacer plate to your flywheel. This will make up the difference where the dual mass flywheel that GM used. Also the motor mounts that were installed by the Fiero Factory were removed. The engine had to be raised about a 1/4" so the transmission could clear the cradle. Archie installed solid mounts all the way around. The 4.9 runs so smooth, that there is no vibration.


As for the half shafts you will have to fend for your self on this one. Here is the driver's side. Note that there is no clutch slave clyinder, the 6 speed uses a hydraulic throw-out bearing. You will need a special fitting to connect your clutch line to the throw-out bearing.

This is the passenger's side. Here a jack shaft is used to come out of the transmission and across the back of the engine. A bracket is made to support the jack shaft from the engine block. You will install your passenger's side half shaft into the jack shaft.

I hear that you can use an Allante starter. I went with a Power Master starter. You can contact Archie and he can modify a Power Master starter. Also either of these starters will keep you from notching out a 4, 5 or 6 speed transmission.

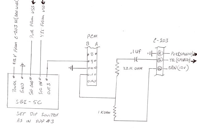
Now that you have the 6 speed installed, it's time to get the speedometer operational. Here is the problem, the Fiero speedometer is set up for an input of 4000 pulses per mile (PPM). The Caddy PCM in stock configuration wants to see 26,000 PPM from the Caddy automatic transmission. If you were like me, I first started with a 4 speed that put out the correct PPM and I had the PCM chip modified to recognize 4,000 PPM and all worked fine. But now with the 6 speed it puts out 60,000 PPM and we need to get the PCM to recognize that signal. The easiest way is to get the chip reprogrammed to recognize 60,000 PPM on pins B9 and B10 on the Caddy PCM. So far I have not found anyone that can do that, but I am working on it. The other way is to use a Dakota Digital signal converter. Now I know this works for the Caddy chip that has been modified for a VSS signal of 4,000 PPM. I have not tried doing this on the stock chip. Below is a diagram of the circuit I used. The VSS signal that comes from the tranmission goes to the Dakota Digital unit (SGI-5C) and converts that signal to 4,000 PPM. That siginal is sent to the PCM. The PCM output is from B10 and B11, you can send that directly to the speedometer but sometimes you are sitting with the engine running and the speedometer will jump around. To fix this you can add the circuit that can boost that signal a little. Enjoy.


BACK